中国政府网
|
广东省人民政府网
|
清远市人民政府网
繁體
手机版
扫一扫
打开 · 手机版
无障碍版
首页
要闻动态
政务公开
政务服务
互动交流
走进佛冈
当前位置:
首页
>
政务公开
>
重点领域信息公开
>
征地信息
>
一书四方案(一书三方案)
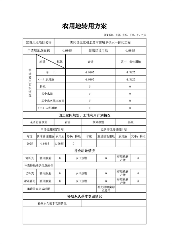
农用地转用方案(佛冈县北江引水及南部城乡供水一体化工程)
发布时间:
2025-07-21 10:23:04
来源:
佛冈县自然资源局
访问量:
-
字体
【
大
中
小
】
相关文章
扫一扫在手机打开当前页
分享:
分享文章到
取消
分享
TOP
打印
关闭
相关附件
返回首页
粤省事
粤省事
政务微信
佛冈发布
(中共佛冈县委宣传部主管)
旅游美食
佛冈旅游美食
回到顶部